
地址:重慶市渝北區回興台商工業園
電 話:023-67215167
電話:15923062813
網址:www.gs29.com
阿裏巴巴商鋪:
E-mail:halpump@163.com youdapump@163.com
廣東辦事處:
地址:廣東省東莞市長安鎮宵邊第二工業區雙龍路15號。
電話:0769-85414757
電話:15923062813
E-mail:phjgcr@163.com

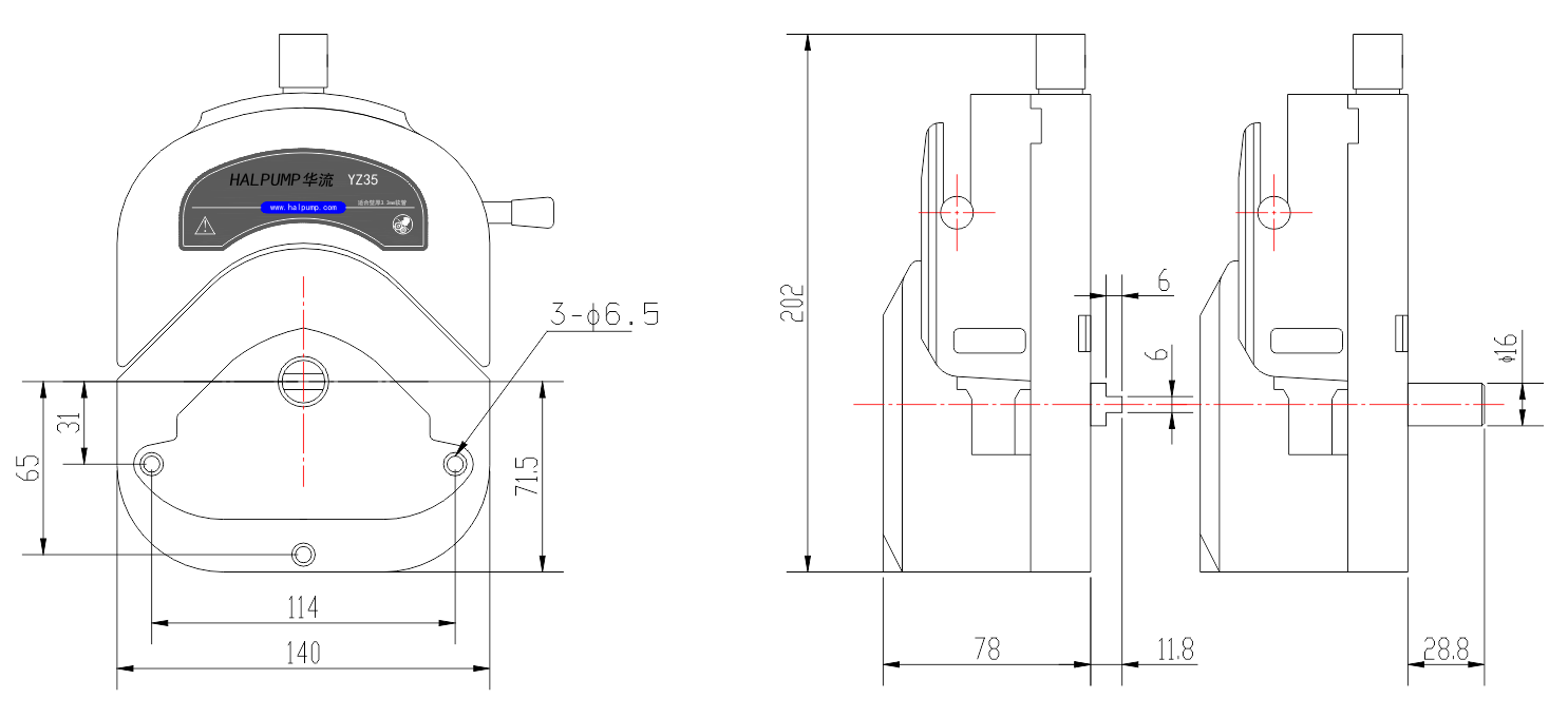
欧美羞羞视频YZ35泵頭說明:
■快速更換軟管,自動適應卡管裝置;
■使用於多種規格軟管;
■滾輪采用不鏽鋼材質,防腐,耐用;
■泵頭外殼采用PPS材料;
■結構穩定,外形美觀,耐高溫(200度);
■兩種泵頭均可裝配串聯,流量倍增;
■YZ35裝卡3.3壁厚的軟管;
欧美羞羞视频YZ35泵頭技術簡述:
| 類型 | 易裝型 |
| 參考流量 | 1-12000ml/min |
| 適合軟管 | 73# 82# |
| 泵殼材質 | PPS聚苯硫醚 |
| 滾輪材質 | SUS304 |
| 滾輪數量 | 3輪 |
| 間隙調整 | 可調 |
| 通道數量 | 1、2(可串聯) |
| 顏色 | 黑色 |
| 使用溫度 | 可在200度以的溫度中使用 |
| 抗腐蝕性 | 能耐強酸、堿、鹽等 |
欧美羞羞视频YZ35泵頭曲線表:

欧美羞羞视频YZ25泵頭尺寸圖:
